| وضعیت در دسترس بودن: | |
|---|---|
| مقدار: | |
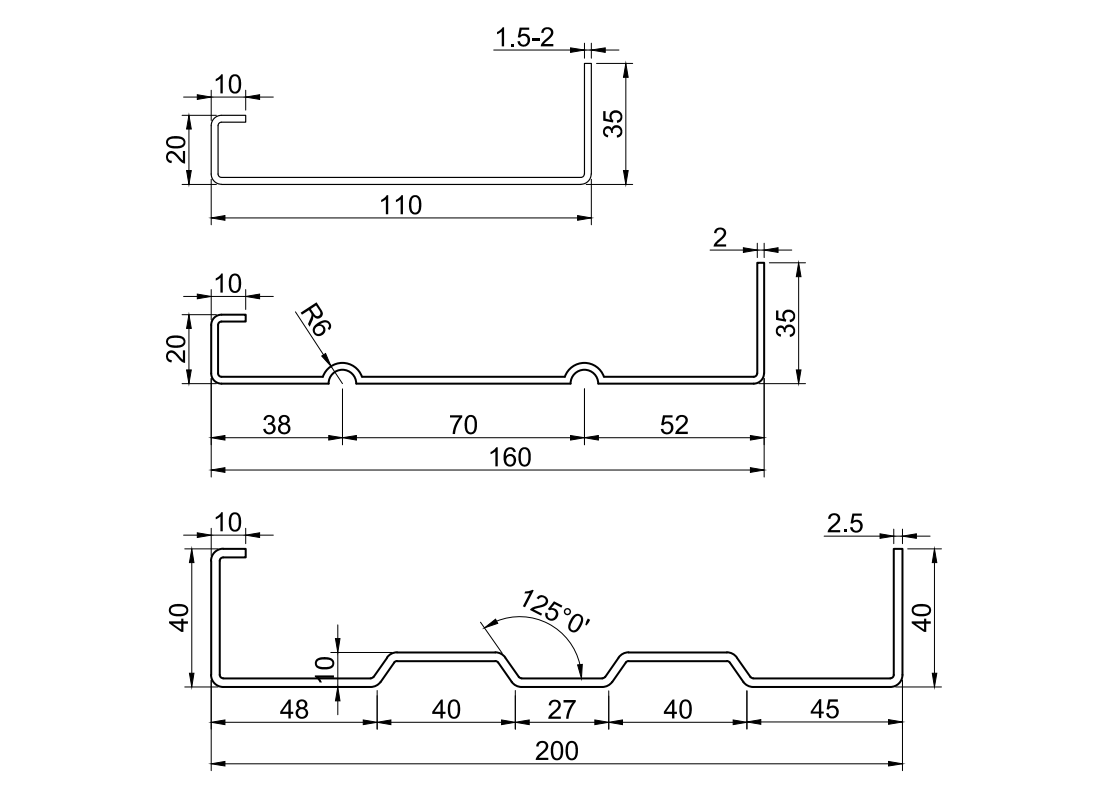
YX20,35,40-110,160,200
BMS
8455221000
مشخصات
| مواد | مواد قابل اجرا | ورق نورد سرد |
ضخامت مواد | 1.2mm/1.5mm/2.0mm/2.5mm | |
با قدرت تسلیم | 310-440 مگاپاسکال | |
| کویل | عرض تغذیه | 600 میلی متر |
محدوده شناسه سیم پیچ | 508mm±30mm | |
ظرفیت | حداکثر5 تن. | |
دستگاه | قاب پایه | فولاد نوع H450 با جوش. |
| ضخامت دیواره جانبی | Q235 t25mm | |
مواد غلتکی | فولاد GCr15 (= فولاد EN31)، ماشینکاری دقیق، عملیات حرارتی، HRC58-62 | |
ایستگاه غلتکی | 18 مرحله برای تشکیل | |
قطر شفت | ф80 میلی متر، پردازش فرکانس بالا | |
کاتر | سختی | عملیات حرارتی تا HRC58-62 درجه |
تحمل برش | ≤±1 میلی متر | |
| قدرت | راه رانندگی | انتقال دنده / چرخ دنده |
| موتور اصلی | 18.5 کیلووات، کنترل سرعت فرکانس | |
| موتور پمپ برای برش | 5.5 کیلو وات | |
سیستم کنترل PLC | معکوس کننده | اشنایدر الکتریک/DELTA (با نام تجاری تایوان) |
صفحه لمسی | WEINVIEW (مارک تایوان) | |
رمزگذار | KOYO (مارک ژاپنی) یا OMRON (مارک ژاپنی) | |
کنترل ولتاژ | 24 ولت |
1. یک دستگاه برای چند پروفایل: هر اندازه در وب 60-200 میلی متر و فلنج 20-40 میلی متر)، صرفه جویی در سرمایه گذاری و فضا.طراحی تغییر اندازه خودکار برای راندمان کاری بالا.
2. غلتک پس از ماشینکاری خوب با فولاد بلبرینگ GCr15 خاموش می شود (= فولاد EN31) و هارد کروم برای عمر کاری طولانی بیش از 10 سال.
3. آسیاب رول فرمینگ اصلی (تغییر اندازه خودکار)
دکویل 5T هیدرولیک → دستگاه تسطیح →دستگاه راهنمای موتور سروو→سوراخ کن
سیستم رول فرمینگ → دستگاه پست برش هیدرولیک → قفسه خروجی
فنی مشخصاتns
1) 5T Decoiler هیدرولیک: یک مجموعه
انقباض و توقف داخلی کویل فولادی کنترل هیدرولیک
حداکثر عرض تغذیه: 600 میلی متر
محدوده شناسه سیم پیچ:30±508 میلی متر،قطر خارج:1500 میلی متر
موتور پمپ روغن:2.2 کیلو وات
ظرفیت:حداکثر 5 تن
اضافه کردن قدرت تغذیه خودکار و دستگاه خود توقف
بالا سه پایین چهار کاملا هفت دستگاه تراز غلتکی
با راهنمای مواد تغذیه، قاب بدن ساخته شده از H450 نوع فولاد با جوش
شفت های تولید شده از فولاد 45#عملیات حرارتی کوئنچ و تمپرینگ، آبکاری کروم سخت.قطر = φ90 میلی متر، ماشینکاری دقیق
3) سروو درایو و دستگاه پانچ
125 تن دستگاه پانچ با سرعت بالا قبل از تشکیل رول، مجهز به یک مجموعه مدل پانچ. دستگاه پانچ چهار طرف با پوشش ایمنی و یک طرف با درب باز. با کنترل سیستم PLC

4) M اصلیachine
غلتک های ساخته شده از فولاد بلبرینگ GCr15 (= فولاد EN31)، ماشینکاری دقیق، روکش کروم سخت؛ با ضخامت 0.04 میلی متر، سطح با آینه کاری (برای عمر طولانی تر و ضد زنگ).
قاب بدنه ساخته شده از 450# H نوع فولاد با جوش
سرعت شکل دهی: حدود 20 متر در دقیقه
5) هیدرولیک برش پست
پست برای برش، توقف برای برش، سه تکه نوع طرح تیغه برش
موتور هیدرولیک:5.5 کیلو واتفشار برش:0-16 مگاپاسکال
مواد ابزار برش:Cr12MoV(= فولاد SKD11)، عملیات حرارتی به HRC58-62
با حداقل یک میلیون بار کاهش عمر
قدرت برش توسط ایستگاه هیدرولیک موتور اصلی تامین می شود
6) سیستم کنترل PLC
مقدار و طول برش را به صورت خودکار کنترل کنید.
داده های تولید (دسته تولید، قطعات، طول و غیره) را روی صفحه لمسی وارد کنید.
می تواند تولید را به طور خودکار به پایان برساند.
ترکیب با: PLC، اینورتر، صفحه لمسی، رمزگذار و غیره
7) خروج از قفسه:
بدون برق، دو واحد، با غلتک روی آن برای جابجایی آسان
8) نمایش محصول
روش بسته بندی:بدنه اصلی دستگاه برهنه و پوشیده شده توسط فیلم پلاستیکی (برای محافظت از گرد و غبار و خوردگی)،در ظرف بارگیری می شود و به طور پیوسته در ظرف مناسب با طناب فولادی و قفل ثابت می شود، مناسب برای حمل و نقل در مسافت های طولانی.

خدمات پس از فروش
1 گارانتی است 24 ماه ها پس از اینکه مشتری دستگاه را دریافت کرد.
در طی 24 ماه، قطعات جایگزین را به صورت رایگان به مشتری ارسال می کنیم.
2. ما برای کل عمر ماشین های خود پشتیبانی فنی ارائه می دهیم.
3. ما می توانیم تکنسین های خود را برای نصب و آموزش کارگران در کارخانه های مشتریان بفرستیم هزینه اضافی.

مشخصات
| مواد | مواد قابل اجرا | ورق نورد سرد |
ضخامت مواد | 1.2mm/1.5mm/2.0mm/2.5mm | |
با قدرت تسلیم | 310-440 مگاپاسکال | |
| کویل | عرض تغذیه | 600 میلی متر |
محدوده شناسه سیم پیچ | 508mm±30mm | |
ظرفیت | حداکثر5 تن. | |
دستگاه | قاب پایه | فولاد نوع H450 با جوش. |
| ضخامت دیواره جانبی | Q235 t25mm | |
مواد غلتکی | فولاد GCr15 (= فولاد EN31)، ماشینکاری دقیق، عملیات حرارتی، HRC58-62 | |
ایستگاه غلتکی | 18 مرحله برای تشکیل | |
قطر شفت | ф80 میلی متر، پردازش فرکانس بالا | |
کاتر | سختی | عملیات حرارتی تا HRC58-62 درجه |
تحمل برش | ≤±1 میلی متر | |
| قدرت | راه رانندگی | انتقال دنده / چرخ دنده |
| موتور اصلی | 18.5 کیلووات، کنترل سرعت فرکانس | |
| موتور پمپ برای برش | 5.5 کیلو وات | |
سیستم کنترل PLC | معکوس کننده | اشنایدر الکتریک/DELTA (با نام تجاری تایوان) |
صفحه لمسی | WEINVIEW (مارک تایوان) | |
رمزگذار | KOYO (مارک ژاپنی) یا OMRON (مارک ژاپنی) | |
کنترل ولتاژ | 24 ولت |
1. یک دستگاه برای چند پروفایل: هر اندازه در وب 60-200 میلی متر و فلنج 20-40 میلی متر)، صرفه جویی در سرمایه گذاری و فضا.طراحی تغییر اندازه خودکار برای راندمان کاری بالا.
2. غلتک پس از ماشینکاری خوب با فولاد بلبرینگ GCr15 خاموش می شود (= فولاد EN31) و هارد کروم برای عمر کاری طولانی بیش از 10 سال.
3. آسیاب رول فرمینگ اصلی (تغییر اندازه خودکار)
دکویل 5T هیدرولیک → دستگاه تسطیح →دستگاه راهنمای موتور سروو→سوراخ کن
سیستم رول فرمینگ → دستگاه پست برش هیدرولیک → قفسه خروجی
فنی مشخصاتns
1) 5T Decoiler هیدرولیک: یک مجموعه
انقباض و توقف داخلی کویل فولادی کنترل هیدرولیک
حداکثر عرض تغذیه: 600 میلی متر
محدوده شناسه سیم پیچ:30±508 میلی متر،قطر خارج:1500 میلی متر
موتور پمپ روغن:2.2 کیلو وات
ظرفیت:حداکثر 5 تن
اضافه کردن قدرت تغذیه خودکار و دستگاه خود توقف
بالا سه پایین چهار کاملا هفت دستگاه تراز غلتکی
با راهنمای مواد تغذیه، قاب بدن ساخته شده از H450 نوع فولاد با جوش
شفت های تولید شده از فولاد 45#عملیات حرارتی کوئنچ و تمپرینگ، آبکاری کروم سخت.قطر = φ90 میلی متر، ماشینکاری دقیق
3) سروو درایو و دستگاه پانچ
125 تن دستگاه پانچ با سرعت بالا قبل از تشکیل رول، مجهز به یک مجموعه مدل پانچ. دستگاه پانچ چهار طرف با پوشش ایمنی و یک طرف با درب باز. با کنترل سیستم PLC

4) M اصلیachine
غلتک های ساخته شده از فولاد بلبرینگ GCr15 (= فولاد EN31)، ماشینکاری دقیق، روکش کروم سخت؛ با ضخامت 0.04 میلی متر، سطح با آینه کاری (برای عمر طولانی تر و ضد زنگ).
قاب بدنه ساخته شده از 450# H نوع فولاد با جوش
سرعت شکل دهی: حدود 20 متر در دقیقه
5) هیدرولیک برش پست
پست برای برش، توقف برای برش، سه تکه نوع طرح تیغه برش
موتور هیدرولیک:5.5 کیلو واتفشار برش:0-16 مگاپاسکال
مواد ابزار برش:Cr12MoV(= فولاد SKD11)، عملیات حرارتی به HRC58-62
با حداقل یک میلیون بار کاهش عمر
قدرت برش توسط ایستگاه هیدرولیک موتور اصلی تامین می شود
6) سیستم کنترل PLC
مقدار و طول برش را به صورت خودکار کنترل کنید.
داده های تولید (دسته تولید، قطعات، طول و غیره) را روی صفحه لمسی وارد کنید.
می تواند تولید را به طور خودکار به پایان برساند.
ترکیب با: PLC، اینورتر، صفحه لمسی، رمزگذار و غیره
7) خروج از قفسه:
بدون برق، دو واحد، با غلتک روی آن برای جابجایی آسان
8) نمایش محصول
روش بسته بندی:بدنه اصلی دستگاه برهنه و پوشیده شده توسط فیلم پلاستیکی (برای محافظت از گرد و غبار و خوردگی)،در ظرف بارگیری می شود و به طور پیوسته در ظرف مناسب با طناب فولادی و قفل ثابت می شود، مناسب برای حمل و نقل در مسافت های طولانی.

خدمات پس از فروش
1 گارانتی است 24 ماه ها پس از اینکه مشتری دستگاه را دریافت کرد.
در طی 24 ماه، قطعات جایگزین را به صورت رایگان به مشتری ارسال می کنیم.
2. ما برای کل عمر ماشین های خود پشتیبانی فنی ارائه می دهیم.
3. ما می توانیم تکنسین های خود را برای نصب و آموزش کارگران در کارخانه های مشتریان بفرستیم هزینه اضافی.
