| وضعیت در دسترس بودن: | |
|---|---|
| مقدار: | |
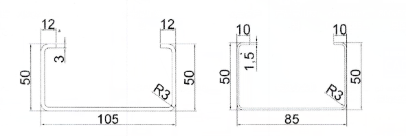
YX50-85/YX50-105
BMS

| خیر | پارامترهای اصلی | پارامترهای آسیاب رول فرمینگ | ||
| 1. | ضخامت مواد | 1.5-3.0 میلی متر | ایستگاه های شکل دهی | 14 پله |
| 2. | عرض تغذیه | طبق نقشه | قاب بدنه | H400 |
| 3. | مواد کاربردی | ورق گالوانیزه | ضخامت دیوار کناری | 25 میلی متر |
| 4. | استاندارد برق | 380V50Hz/3Ph | شفت قطر | 45# فولاد،80φ/φ65 میلی متر |
| 5. | قطر دکویلر دستی | 30±508 میلی متر | قدرت موتور اصلی | 18.5 کیلو وات |
| 6. | قدرت تسلیم | G550Mpa | پیچ پیچ | درجه 8.8 |
| 7. | سرعت شکل گیری | 25 متر در دقیقه | عرض موثر | به عنوان طراحی مشتری |
| 8. | سیستم کنترل | سیستم کنترل PLC | غلتک | فولاد Cr12، ماشین تراش CNC، عملیات حرارتی، روکش کروم سخت. |
| 9. | موتور هیدرولیک | 7.5 کیلو وات | رنگ ماشین | آبی + مشکی + نارنجی |
جریان کار
دیکویلر هیدرولیک (5 تن) ← راهنمای تغذیه/ تسطیح/دستگاه پانچ ← پیش برش هیدرولیک ← آسیاب اصلی رول ← کاتر پست هیدرولیک → سیستم کنترل PLC → قفسه خروجی (3M*2)
نمایش اجزای ماشین
دستگاه تسطیح
پست برای برش، توقف برای برش، نوع دو تکه طرح تیغه برش، بدون خالی شدن
موتور هیدرولیک:7.5 کیلو وات فشار برش: 0-16 مگاپاسکال.
مواد ابزار برش: Cr12Mov(= SKD11 با حداقل یک میلیون بار عمر برش)، عملیات حرارتی تا درجه HRC58-62
با راهنمای مواد تغذیه، قاب بدن ساخته شده از H400نوع فولاد با جوش
شفت های تولید شده از فولاد 45#عملیات حرارتی کوئنچ و تمپرینگ، آبکاری کروم سخت.
قطر=φ80/φ65 میلی متر، ماشینکاری دقیق
کابینت کنترل PLC
پست برش
محصولات تولیدی ماشین


| خیر | پارامترهای اصلی | پارامترهای آسیاب رول فرمینگ | ||
| 1. | ضخامت مواد | 1.5-3.0 میلی متر | ایستگاه های شکل دهی | 14 پله |
| 2. | عرض تغذیه | طبق نقشه | قاب بدنه | H400 |
| 3. | مواد کاربردی | ورق گالوانیزه | ضخامت دیوار کناری | 25 میلی متر |
| 4. | استاندارد برق | 380V50Hz/3Ph | شفت قطر | 45# فولاد،80φ/φ65 میلی متر |
| 5. | قطر دکویلر دستی | 30±508 میلی متر | قدرت موتور اصلی | 18.5 کیلو وات |
| 6. | قدرت تسلیم | G550Mpa | پیچ پیچ | درجه 8.8 |
| 7. | سرعت شکل گیری | 25 متر در دقیقه | عرض موثر | به عنوان طراحی مشتری |
| 8. | سیستم کنترل | سیستم کنترل PLC | غلتک | فولاد Cr12، ماشین تراش CNC، عملیات حرارتی، روکش کروم سخت. |
| 9. | موتور هیدرولیک | 7.5 کیلو وات | رنگ ماشین | آبی + مشکی + نارنجی |
جریان کار
دیکویلر هیدرولیک (5 تن) ← راهنمای تغذیه/ تسطیح/دستگاه پانچ ← پیش برش هیدرولیک ← آسیاب اصلی رول ← کاتر پست هیدرولیک → سیستم کنترل PLC → قفسه خروجی (3M*2)
نمایش اجزای ماشین
دستگاه تسطیح
پست برای برش، توقف برای برش، نوع دو تکه طرح تیغه برش، بدون خالی شدن
موتور هیدرولیک:7.5 کیلو وات فشار برش: 0-16 مگاپاسکال.
مواد ابزار برش: Cr12Mov(= SKD11 با حداقل یک میلیون بار عمر برش)، عملیات حرارتی تا درجه HRC58-62
با راهنمای مواد تغذیه، قاب بدن ساخته شده از H400نوع فولاد با جوش
شفت های تولید شده از فولاد 45#عملیات حرارتی کوئنچ و تمپرینگ، آبکاری کروم سخت.
قطر=φ80/φ65 میلی متر، ماشینکاری دقیق
کابینت کنترل PLC
پست برش
محصولات تولیدی ماشین


دستگاه رول درب کرکره ای محصول نهایی
پرونده کاربردی (1)
پرونده کاربردی (2)

دستگاه رول درب کرکره ای محصول نهایی
پرونده کاربردی (1)
پرونده کاربردی (2)